
-
WTA: après Roland-Garros, Gauff s'adjuge son deuxième titre en 2025, à Wuhan
-
Compte à rebours en Israël avant le retour des otages de Gaza
-
Les derniers développements depuis le cessez-le-feu à Gaza
-
Le Pakistan et l'Afghanistan assurent avoir tué des dizaines de soldats dans des affrontements frontaliers
-
Tennis: le 204e mondial Valentin Vacherot gagne le Masters 1000 de Shanghai
-
Le Pakistan promet une réponse "musclée" à l'opération menée par l'Afghanistan à sa frontière
-
Madagascar: une unité dit prendre le contrôle de l'armée, le président dénonce "une tentative de prise de pouvoir"
-
Marché des yachts: derrière la folie des grandeurs, les petits rament
-
Pour sauver ses chantiers navals, Washington fait payer les navires liés à la Chine
-
Face au retrait américain, le Royaume-Uni en première ligne sur la recherche sur le climat en Antarctique
-
A Kramatorsk, dans l'est ukrainien, premières évacuations face à un danger omniprésent
-
Le Cameroun aux urnes pour la présidentielle, Biya grand favori pour un 8e mandat
-
Australie: fuite des données de millions de clients de Qantas après une cyberattaque
-
Top 14: retrouvailles entre Toulouse et Bordeaux-Bègles pour un premier "test"
-
Dans le golfe du Lion, étudier les oiseaux migrateurs face aux projets d'éoliennes
-
Décès de Diane Keaton, actrice de Woody Allen et du "Parrain"
-
Le Cameroun vote pour la présidentielle, Biya grand favori pour un 8e mandat
-
Lecornu au défi de composer un gouvernement
-
Seychelles: l'opposant Patrick Herminie élu président
-
Les pluies torrentielles au Mexique ont fait au moins 41 morts
-
Gaza: le Hamas prêt à commencer à libérer les otages dès lundi
-
Mondial-2026: l'Italie enchaîne en Estonie mais ne se rapproche pas de l'Amérique
-
A Tel-Aviv, "enfin l'espoir" d'un retour de tous les otages retenus à Gaza
-
Retour dans les ruines à Gaza, le Hamas met en garde contre de prochains pourparlers "difficiles"
-
Des reportages à Gaza, au Soudan et en Ukraine récompensés par le 32e Prix Bayeux des correspondants de guerre
-
Ligue 1: le Belge Sébastien Pocognoli nouvel entraîneur de Monaco
-
A Paris, un restaurant palestinien-israélien pour partager le "goût de la paix"
-
Des soldats malgaches rejoignent les milliers de manifestants à Antananarivo
-
Oise: plus d'un millier d'opposants défilent contre le canal Seine-Nord Europe
-
Pluies torrentielles au Mexique: le bilan en hausse à 37 morts
-
Tour de Lombardie: le prochain objectif de Pogacar, "gagner Paris-Roubaix et Milan-Sanremo"
-
Top 14: Pau et le Stade français s'installent en tête
-
Tour de Lombardie: Pogacar, un peu plus près de Merckx
-
Ukraine: Zelensky exhorte Trump à mettre fin à la guerre, comme "au Moyen-Orient"
-
Esport: A l'Evo Nice, des milliers de passionnés célèbrent les jeux de combat
-
Madagascar: une unité de l'armée appelle à "refuser les ordres de tirer" sur les manifestants
-
Top 14: A Pau, le leader et voisin bayonnais pas à la fête
-
Gaza: entre soulagement et scepticisme, des dizaines de milliers de personnes dans les rues de Londres
-
Masters 1000 de Shanghai: réunion familiale au sommet pour les cousins Rinderknech et Vacherot
-
Un millier d'opposants défilent contre le canal Seine-Nord Europe
-
Zelensky dit avoir exhorté Trump à négocier la paix en Ukraine lors d'un appel "positif"
-
Equipe de France: quelle attaque en Islande?
-
Philippines: des habitants nettoient les débris des deux séismes
-
Tennis: Pegula renverse Sabalenka à Wuhan, finale 100% américaine contre Gauff
-
Deuxième jour de trêve à Gaza, les déplacés retournent dans des ruines
-
Un spectacle du polémiste Dieudonné de nouveau interrompu par les forces de l'ordre
-
La mort dans l'âme, des Palestiniens de retour à Gaza, ville "fantôme"
-
Tennis: le Monégasque Valentin Vacherot bat Novak Djokovic et se hisse en finale à Shanghai
-
Après des incendies monstres, l'Albanie doit repenser l'avenir de ses forêts
-
Cyclisme: "Je suis fier de tout ce que j'ai pu faire", dit Démare avant sa dernière course

Des neurones doués de sensations ont appris à jouer à un jeu vidéo
Des neurones cultivés dans une boîte de Petri sont capables d'apprendre à jouer à Pong, le grand classique des jeux vidéo, faisant ainsi preuve d'un "comportement intelligent et doué de sensations", selon des chercheurs en neurosciences australiens.
Cette étude, publiée mercredi dans la revue scientifique Neuron, ouvre la voie à un nouveau type de recherches qui pourraient un jour se servir de neurones pour traiter des informations, sorte de machines biologiques qui épauleraient les ordinateurs numériques, selon le chercheur ayant mené les recherches, Brett Kagan.
"Les machines sont incapables d'apprendre très rapidement des choses. Pour qu'un algorithme de +machine learning+ (l'apprentissage automatique, une technique d'intelligence artificielle, NDLR) apprenne quelque chose, il a besoin de milliers d'échantillons de données", a-t-il expliqué.
Tandis qu'"un chien peut apprendre un tour en deux ou trois essais", note-t-il.
Les neurones sont au fondement de l'intelligence chez tous les animaux, des insectes aux humains.
Pour leur expérience, visant à découvrir s'il était possible d'exploiter l'intelligence inhérente des neurones, Brett Kagan et ses collègues ont prélevé des neurones de cerveaux embryonnaires de souris ainsi que des neurones issus de cellules souches d'humains adultes.
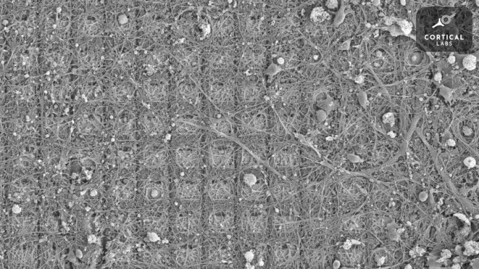
Ils ont ensuite cultivé ces neurones autour de matrices de microélectrodes capables de détecter leur activité et de les stimuler. Les expériences ont concerné des amas d'environ 800.000 neurones, la taille du cerveau d'un bourdon.
Dans une sorte de version simplifiée du jeu de tennis Pong, un signal était ensuite envoyé depuis la droite ou la gauche pour indiquer l'emplacement d'une balle et l'amas de neurones, baptisé par les chercheurs "DishBrain" (ou cerveau en boîte en français), répondait par un autre signal pour déplacer la raquette.
- "Principe de l'énergie libre" -
Un des principaux obstacles était de trouver comment amener les neurones à apprendre une tâche.
De précédents travaux avaient suggéré de les gratifier d'une dose d'"hormone du bonheur", la dopamine, à chaque action correcte -- mais cela s'est révélé difficile à accomplir avec la vitesse nécessaire.
A la place, l'équipe du Dr Kagan s'est appuyée sur la théorie dite du "principe de l'énergie libre" introduite il y a plus de dix ans par Karl Friston, l'auteur principal de l'étude publiée mercredi, et selon laquelle les cellules cherchent instinctivement à minimiser l'imprévisibilité de leur environnement.
Quand les neurones parvenaient à frapper la balle à l'aide de la raquette, ils recevaient donc une information prévisible indiquant leur réussite. Mais quand ils rataient leur coup, le signal reçu était aléatoire, imprévisible.
"La seule façon pour les neurones de faire en sorte que leur monde reste contrôlable et prévisible était de mieux réussir à toucher la balle", a détaillé Brett Kagan.
Son équipe considère que DishBrain est "sensible" -- ce qu'ils définissent comme étant capable de percevoir des informations sensorielles et d'y répondre de façon dynamique --, mais ne vont pas jusqu'à parler de "conscience", ce qui implique d'avoir conscience de sa propre existence.
Ce "cerveau en boîte" s'est même essayé au jeu qui remplace le moteur de recherche de Google en cas d'absence de connexion internet, qui consiste à faire courir un dinosaure parmi des obstacles, et les premiers résultats ont été encourageants, a indiqué Brett Kagan.
Les scientifiques veulent ensuite tester la manière dont des médicaments et l'alcool affectent l'intelligence de ces neurones, mais le Dr Kagan est surtout enthousiaste à l'idée de la possibilité de développer des ordinateurs biologiques.
"C'est (une expérience de) neurosciences rigoureuse et intéressante", estime Tara Spires-Jones, de l'université d'Edimbourg, qui n'a pas participé à l'étude.
"Pas d'inquiétude, même si ces boîtes de neurones peuvent modifier leurs réponses lorsqu'elles sont stimulées, ce ne sont pas des boîtes douées d'intelligence de type science fiction, ce sont de simples (bien qu'intéressants et importants d'un point de vue scientifique) réponses de circuit", rassure-t-elle.
I.Meyer--BTB